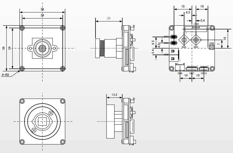
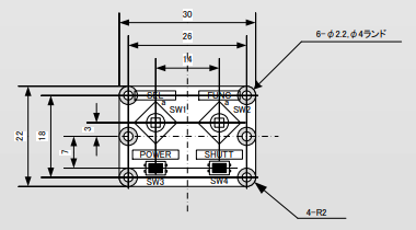
●38(H)×38(W)mmの2枚基板構成
●1/3インチ410万画素、CMOSセンサーを採用
●DC+12V電源入力
●M12マウントレンズ、CSマウント
●動画:1080p/30fps(1920×1080)での記録再生
●静止画:2688×1520での記録再生
●多彩なインターフェース、USB2.0、HD I/F、メモリーカード、Wifi
●OSDによるカメラ設定
●ムービーサイズの選択、1520p、1080p、720pなどの解像度の設定
●画質の選択、ノーマル、ファイン、スーパーファインの3種
●シームレス機能、画像の記録時間設定
●データスタンプ、日付、時間設定のON/OFF
●サウンド、シャッター、ビープ音、音量の設定
●パワーオンレコード
●デート&タイム、日付、時間の設定
●言語、英語と中国語の選択
●USB、カメラ設定又はUVCカメラモードの設定
●フォーマット、フラッシュカードのフォーマット





