●外部トリガーシャッター
●30fps、54fps(MS-M123QVU2-TG)
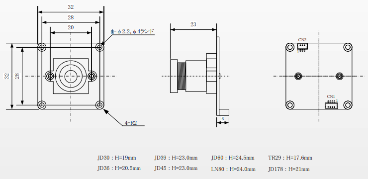
●32(H) x 32 (W)mm 14g と小型軽量タイプ
●グローバルシャッター
●低歪レンズ
●1/3インチ型 総画素数130万画素(記録画素数123万画素)
●USB画像出力はUSB2.0 USBビデオクラス1.1対応のため、デバイスドライバ不要
●USBバスパワーに対応のため、外部電源を使用せずにUSBケーブルで動作可能
●ホスト側のコントロールソフトウェアからモード設定の変更が可能
| 項 目 |
仕 様 |
| 型式 |
MS-M123QVU2
|
MS-M123QVU2-TG
|
| 画像サイズ |
1/3インチ カラー CMOSセンサー
|
| 有効画素数 |
1288(H) × 972(V)
|
| 映像出力画素数 |
1280(H) × 960(V)
|
| ユニットセルサイズ |
3.75μm(H) × 3.75μm(V)、正方画素
|
| 走査方式 |
プログレッシブスキャン方式
|
| 同期方式 |
内部同期
|
| フレームレート |
30fps
|
54fps
|
| 出力 I/F |
USB2.0(Full Speed , High Speed)
|
| 最低被写体照度 |
0.4Lux(F1.4)
|
| S/N比 |
40dB
|
| 映像出力フォーマット |
YUY2/MJPEG
1280×960,1280×720、
640×480,320×240
|
MJPEG
1280×960,1280×720、
640×480,320×240
|
| 自動制御機能 |
AWB,AGC,AE
|
| フリッカレス機能 |
オート
|
| シャッター |
グローバルシャッター
|
| 外部トリガー |
-
|
30fps(1/100、1/120、1/250、1/500、
1/1000、1/2000、1/4000、1/8000)
54fps(1/180,1/216,1/450,1/900,
1/1800,1/3600,1/7200,1/14400)
|
| レンズマウント |
マウントなし/M12
|
| 電源電圧 |
USBバスパワー(+5V)
|
| 消費電力 |
1W
|
| 外形寸法(ボード) |
32(H) × 32(W) mm
|
| 重量 |
14g
|
| 動作温度 |
-10℃~+50℃
|
| 動作湿度 |
20~80%
|
| 構成品目 |
カメラ本体、専用USBケーブル
|