■デジタルカラーラインスキャンカメラ TLC-7300UCL
(竹中システム機器株式会社)


7300画素×3ライン、スキャンレート15kHz、Camera Link対応
デジタルカラーラインスキャンカメラ
製品外観


【概 要】

TLC-7300UCLは、CCDリニアイメージセンサを使用したカラーラインスキャンカメラで、センサにはRGBの3ラインが一つのパッケージに内蔵され、各1ラインあたり7300画素10um×10umのフォトダイオードが配置されています。
ビデオ信号は8ビット階調でCamera Link(Base/Medium Configuration)に準拠して出力されます。
スキャンレートはMedium Configuration時15kHz、Base Configuration時10kHzの高速撮像が可能。またシリアル通信で出力の切り替え可能です。
キャプチャーボードからのシリアル通信によりデータレート、ゲイン、オフセット、奇数・偶数ビットバラツキなどを容易に設定できます。


【特 長】

各メーカーのキャプチャーボードと接続でき、高精度な画像処理システムの構築が可能です。
10μmスクエア画素サイズで高S/Nの画像を得ることができます。
簡易露光制御機能を有し、外部エンコーダパルス入力の周期変動に関わらず一定の画像出力を得ることができます。(スキャンレート7kHz以下で使用可能)
カラーギャップ補正機能及びFFC機能を搭載しています。
ホワイトバランス機能を搭載しています。
暗電流補正回路を内蔵しているので、周囲温度変化に関わらず安定したビデオ信号を得ることができます。
DC12Vの単一電源で動作します。
独自設計による小型・軽量製品です。


【用 途】

・画像検査などの画像処理装置の入力機器
・液晶パネル検査機器用途
・高密度基板検査機器用途
・シート・フィルム検査装置
・高画質のパターン検査装置
・3D表面測定
・その他コンピュータと接続して行う画像処理用途


【感度波長特性】

感度波長特性


【仕 様】

撮像素子 CCD
画素数 7300×3ライン
画素サイズ 10μm×10μm
受光素子長 73mm
ビデオレート 各80MHz(RGB) 各60MHz×2(RGB)
スキャンレート 10kHz 15kHz
ライン転送パルス入力 100μsec(Min) 66μsec(Min)
デジタルビデオ出力 8Bit Base Configuration 8Bit Medium Configuration
カメラリンクコネクタ形状 MDR
感度 50 V/lx・sec(ゲイン設定1)
飽和露光量 0.19 lx・sec(素子上)
出力不均一性 標準 10% 飽和出力の50%時(素子上)
ダイナミックレンジ 250(素子上)
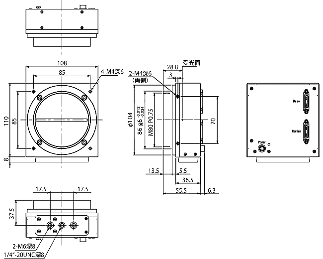
フランジバック 28.8mm
電源容量 +12V ±0.5V(1.5A以下)
動作温度範囲 0℃~40℃(結露のないこと)
動作湿度範囲 85%Max
保存温度範囲 -10℃~65℃(結露・結氷のないこと)
重量 720g以下
外形寸法 108(W)×110(H)×55.5(D)mm
レンズマウント M80、P = 0.75mm


【外形寸法図】

外形寸法図