在庫と納期を事前に確認
■フルフレームシャッタカメラ FC5100SCL
|
| 撮像素子 |
プログレッシブ走査、インターライン転送方式CCD 2/3インチサイズ ユニットセルサイズ 3.45μm(H)×3.45μm(V) 白黒撮像素子 |
|---|---|
| 有効画素数 | 2448(H)×2050(V) 正方格子配列 |
| 読出し走査 |
水平走査周波数 fH = 18.8 kHz 垂直走査周波数 fV = 9 Hz ピクセルクロック周波数 fCLK = 60.00 MHz |
| 標準感度 |
200lx F11 (露光時間1/30秒にてデジタル出力512/1024階調出力時) |
| 最低被写体照度 | 2lx F1.4 |
| S/N | 約46dB |
| ビデオ出力信号 |
プログレッシブ走査:9フレーム/秒 デジタル出力/Camera Link(Base Configuration)方式準拠 8または10bit階調(30MHz×2TAP×8 or 10bit出力) |
| カメラリンクコネクタ形状 | MDR |
| 外部同期入力 | 内部同期専用 |
| 電子シャッタ | 1/13000秒~1/9秒(シャッタなし)~1/0.9秒 |
| ランダムシャッタ | プリセット固定シャッタ/パルス幅制御 |
| 走査モード | 標準(全画素)/部分(中央部) |
| CCD読み出し | SINGLE OUT (1PORT 読み出し) |
| レンズマウント | Cマウント(フランジバック固定)・可動型はオプション |
| 外部制御 | カメラリンクケーブル経由シリアルインターフェース |
| 特殊機能 |
画像出力への設定情報インポーズ機能 カメラ内部温度モニター機能 カメラID情報保存機能 |
| 電源 | DC12V±10%、350mA(Max) |
| 動作周囲温度 | 0℃~40℃(結露のないこと) |
| 保存温度範囲 | -30℃~60℃(結露、結氷のないこと) |
| 耐衝撃 | 70G |
| 耐振動 | 7G |
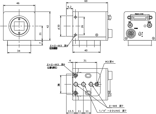
| 外形寸法 | 46(W)×42(H)×60(D)mm (コネクタ・トリポッド除く) |
| 重量 | 約150g |

| ボードメーカー | ボード型式 | ケーブル |
|---|---|---|
| アバールデータ | APX-3312 | MDR-MDR (CL) 14B26-SZLB-*00-0LC (又は同等品) |
| アバールデータ | APC-3310CL | MDR-MDR (CL) 14B26-SZLB-*00-0LC (又は同等品) |
| インタフェース | LPC-530121 /221 | MDR-MDR (CL) 14B26-SZLB-*00-0LC (又は同等品) *2 |
| インタフェース | LPC-530421 /521 | SDR-MDR (CL) 1MD26-3560-00C-*00 (又は同等品) *2 |
| インタフェース | PEX-530121 /221 | MDR-MDR (CL) 14B26-SZLB-*00-0LC (又は同等品) *2 |
| インタフェース | PEX-530421 /521 | SDR-MDR (CL) 1MD26-3560-00C-*00 (又は同等品) *2 |
| インタフェース | CPZ-530121 /221 | MDR-MDR (CL) 14B26-SZLB-*00-0LC (又は同等品) *2 |
| インタフェース | CPZ-530421 /521 | SDR-MDR (CL) 1MD26-3560-00C-*00 (又は同等品) *2 |
| グラフイン | IPM-8531CL-B/M/F | MDR-MDR (CL) 14B26-SZLB-*00-0LC (又は同等品) *1 |
| グラフイン | IPM-8531CL-BE | MDR-MDR (CL) 14B26-SZLB-*00-0LC (又は同等品) |
| グラフイン | IPM-8530CL-B/M/F | MDR-MDR (CL) 14B26-SZLB-*00-0LC (又は同等品) *1 |
| リンクス | 銀河digital-CL2 | MDR-MDR (CL) 14B26-SZLB-*00-0LC (又は同等品) |
| リンクス | 銀河digital-CL2e/4e | MDR-MDR (CL) 14B26-SZLB-*00-0LC (又は同等品) |
| Euresys | GrabLink Avenue | MDR-MDR (CL) 14B26-SZLB-*00-0LC (又は同等品) |
| Euresys | GrabLink Express | MDR-MDR (CL) 14B26-SZLB-*00-0LC (又は同等品) |
| Matrox | Odyssey eCL/XCL | MDR-MDR (CL) 14B26-SZLB-*00-0LC (又は同等品) |
| Matrox | Helios eCL/XCL | MDR-MDR (CL) 14B26-SZLB-*00-0LC (又は同等品) |
| Matrox | Solios eCL/XCL | MDR-MDR (CL) 14B26-SZLB-*00-0LC (又は同等品) |
| Matrox | MeteorII/CL | MDR-MDR (CL) 14B26-SZLB-*00-0LC (又は同等品) |
| Matrox | Solios eCL/XCL-B | MDR-MDR (CL) 14B26-SZLB-*00-0LC (又は同等品) |