●シャッターレスを実現化した小型遠赤外線カメラモジュールのラインナップ商品
●広角から望遠までカバーできる3つのラインナップを用意。(LW10F90-U:広角タイプのレンズ搭載)
●高性能レンズと独自の温度演算処理により、見たい場所の温度計測が可能。これにより温度計測+熱画像の両立を実現
■小型遠赤外線カメラモジュール LW10F90-U
|
||||||||||||||||||||||||||||||||||||||||||||||||||||||||||||||||||||||||||||||||||||||||||||||||||||||||||||||||||||||||||||||||||||||||||||||||||||||
|
|
| ディテクター | |||||
|---|---|---|---|---|---|
| ディテクタータイプ | 非冷却マイクロボロメーター | ディテクター 対応波長 |
8~12μm | ||
| 画像・光学関連 | |||||
| 画像解像度 | 80 x 80 ピクセル | 画角(FOV) | 90°(H) x 90°(V) | ||
| NETD | 80mK (typical) | フォーカス | 固定 | ||
| レンズ 焦点距離 | f=1.9mm F/1.3 | 最短撮影距離 | 80cm | ||
| 温度測定機能 | |||||
| 温度補正方式 | タムロン オリジナル温度演算方式 | 測定温度精度 | 10℃~60℃:±2℃ ※環境温度条件:10℃~40℃ ※中心エリアのみ(9x9ピクセル) 10℃~100℃:±5℃ ※環境温度条件:0℃~60℃ ※中心エリアのみ(9x9ピクセル) ※絶対温度を保証するものではございません。 環境条件により差異が生じます。 |
||
| 熱画像測定温度範囲 | -40℃~200℃ | ||||
| 測定温度範囲 | 10℃~100℃ | ||||
| 温度解析機能 | |||||
| 温度解析エリア | 6400ピクセル (常時ピクセル毎に温度解析実行) | ||||
| 画像表示機能 | |||||
| ノイズリダクション(DNR) | OFF/2D/3D(16bit温度、8bit熱画像設定時) | ヒストグラム平均化処理 | Auto/Manual(8bit熱画像設定時) | ||
| GAMMA補正 | 調整可能(8bit熱画像設定時) | ||||
| 出力インターフェイス | |||||
| インターフェイス | USB2.0(UART 2ポート) UART通信 | 通信プロトコル | タムロンオリジナルプロトコル | ||
| コネクター | Micro USB Type-B端子 | フレームレート | 1/2/4/8 fps ※ ワッセナー条約に基づく輸出貿易令出力制限に対応済 |
||
| 出力データー | ①16bit 温度データ ② 8bit 熱画像データ ③16bit 温度データ + 8bit 熱画像データ ※①②③から選択可能 |
||||
| 総合 | |||||
| 電源電圧 | 5V DC (USB給電) | 保存温度範囲 | -20℃ ~ +70℃ | ||
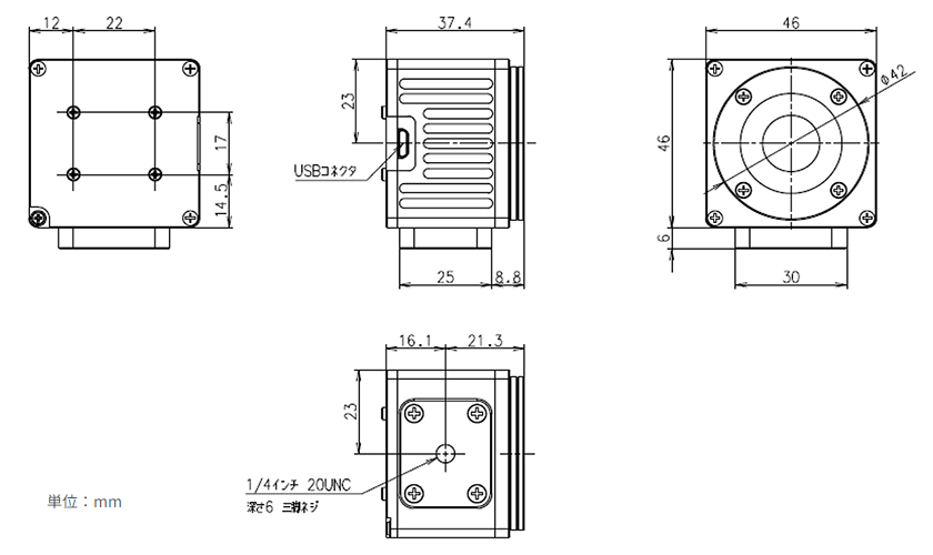
| 消費電力 | 最大 1.0W | 外形寸法 (W x H x D) |
46 x 46 x 37.4mm | ||
| 性能温度湿度範囲 | 0℃ ~ +60℃ / 20 ~80% (但し結露除く) | 質量 | 約132g | ||
| 動作温度湿度範囲 | -20℃ ~ +70℃ / 20 ~80% (但し結露除く) | 防塵防水規格 | IP52相当 | ||